 |
 |
|
 |
Токарный четырехкулачковый самоцентрирующийся патрон повышенной точности, материал сталь, наружный диаметр 400 мм, высота патрона без кулачков 108 мм, высота патрона 116,8 мм, диаметр отверстия 103 мм, размер крепежных отверстий 133,4, длина 67 мм, вес 92 кг, ГОСТ 3889-80 (DIN 55026), артикул 3714-400-6-P (353714390200), производство Bison-Bial (Польша)
Отличная цена! Оптом скидки! Звоните! Купить
В наличии на складе в Минске
|
Цены на другие товары производителя Польша
|



| Общая информация |
| Описание | Самоцентрирующиеся токарные патроны предназначены для установки на универсальные токарные, револьверные, внутришлифовальные станки и различные приспособления. |
| Страна производства | Польша |
| Технические характеристики |
| Стандарт | ГОСТ 3889-80 (DIN 55026) |
| Материал патрона | сталь |
| Количество кулачков | 4 шт (цельные каленые) |
| Тип посадки | Монтируется непосредственно на шпиндель станка по типу “А” |
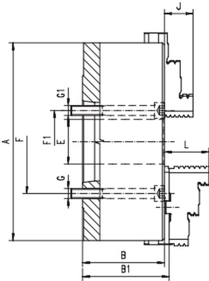
| Диаметр патрона (А) | 400,0 мм |
| Конусность 1:4 | 6 |
| Высота патрона без кулачков (B) | 108,0 мм |
| Высота патрона (B1) | 116,8 мм |
| Диаметр отверстия (E) | 103,0 мм |
| Диаметр патрона по крепежным болтам (F) | 133,4 мм |
| Диаметр патрона по крепежным болтам (F1) | - мм |
| Размер крепежных отверстий (G) | 8хМ12 |
| Размер крепежных отверстий (G1) | - |
| Длина (J) | 55,0 мм |
| Длина (L) | 67,0 мм |
| Масса | 92,0 кг |
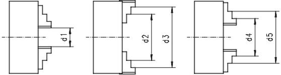
| d1 | 10-180 мм |
| d2 | 103-272 мм |
| d3 | 230-400 мм |
| d4 | 85-252 мм |
| d5 | 210-380 мм |
| Максимальный вылет кулачков | 472,0 мм |
| Максимально допустимая частота вращения патрона | 2000 об/мин |
| Максимальный крутящий момент на ключе | 280 Нм |
| Суммарная статическая сила зажима кулачками патрона | 6500 (4900*) Н |
| Тип | 3714-P |
| Обозначение по каталогу | 353714390200 |
| Код товара (артикул) | 3714-400-6-P |
| Производитель | Bison-Bial |
КОРЗИНА
Товаров в корзине:
На сумму у.е. ( руб.)
Окно будет закрыто через сек.
Вы можете отправить ссылку на эту страницу в популярные социальные сети и месенджеры
|
 |
 |