 |
 |
|
 |
Токарный четырехкулачковый самоцентрирующийся патрон повышенной точности, материал сталь, наружный диаметр 200 мм, высота патрона без кулачков 78 мм, высота патрона 82,8 мм, диаметр отверстия 42 мм, размер крепежных отверстий 4хМ12, длина 45 мм, вес 19 кг, ГОСТ 3889-80 (DIN 55026), артикул 3714-200-6-P (353714300600), производство Bison-Bial (Польша)
Отличная цена! Оптом скидки! Звоните! Купить
Под заказ



| Общая информация |
| Описание | Самоцентрирующиеся токарные патроны предназначены для установки на универсальные токарные, револьверные, внутришлифовальные станки и различные приспособления. |
| Страна производства | Польша |
| Технические характеристики |
| Стандарт | ГОСТ 3889-80 (DIN 55026) |
| Материал патрона | сталь |
| Количество кулачков | 4 шт (цельные каленые) |
| Тип посадки | Монтируется непосредственно на шпиндель станка по типу “А” |
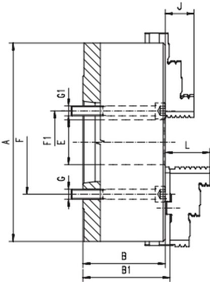
| Диаметр патрона (А) | 200,0 мм |
| Конусность 1:4 | 6 |
| Высота патрона без кулачков (B) | 78,0 мм |
| Высота патрона (B1) | 82,8 мм |
| Диаметр отверстия (E) | 55,0 мм |
| Диаметр патрона по крепежным болтам (F) | - |
| Диаметр патрона по крепежным болтам (F1) | 82,6 мм |
| Размер крепежных отверстий (G) | - |
| Размер крепежных отверстий (G1) | 4хМ12 |
| Длина (J) | 29,0 мм |
| Длина (L) | 45,0 мм |
| Масса | 19,0 кг |
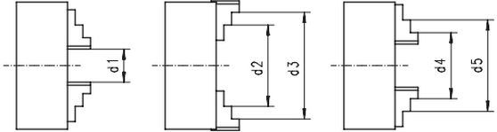
| d1 | 4-90 мм |
| d2 | 60-145 мм |
| d3 | 130-200 мм |
| d4 | 52-135 мм |
| d5 | 120-202 мм |
| Максимальный вылет кулачков | 246,0 мм |
| Максимально допустимая частота вращения патрона | 4000 об/мин |
| Максимальный крутящий момент на ключе | 160 Нм |
| Суммарная статическая сила зажима кулачками патрона | 3700 (2900*) Н |
| Тип | 3714-P |
| Обозначение по каталогу | 353714300600 |
| Код товара (артикул) | 3714-200-6-P |
| Производитель | Bison-Bial |
КОРЗИНА
Товаров в корзине:
На сумму у.е. ( руб.)
Окно будет закрыто через сек.
Вы можете отправить ссылку на эту страницу в популярные социальные сети и месенджеры
|
 |
 |