 |
 |
|
 |
Токарный трехкулачковый самоцентрирующийся патрон повышенной точности, материал сталь, наружный диаметр 315 мм, высота патрона без кулачков 111,7 мм, высота патрона 116,8 мм, длина 57 мм, вес 51 кг, ГОСТ 3889-80 (DIN 55029), артикул 3545-315-11-P (353545380800), производство Bison-Bial (Польша)
Отличная цена! Оптом скидки! Звоните! Купить
В наличии на складе в Минске
|
Цены на другие товары производителя Польша
|



| Общая информация |
| Описание | Самоцентрирующиеся токарные патроны предназначены для установки на универсальные токарные, револьверные, внутришлифовальные станки и различные приспособления. |
| Страна производства | Польша |
| Технические характеристики |
| Стандарт | ГОСТ 3889-80 (DIN 55029) |
| Материал патрона | сталь |
| Количество кулачков | 3 шт (сборные) |
| Тип посадки | Монтируется непосредственно на фланцевый конец шпинделя система Camlock |
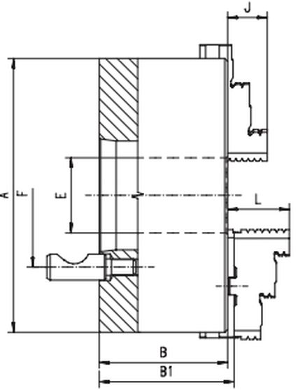
| Диаметр патрона (А) | 315,0 мм |
| Конусность 1:4 | 11 |
| Высота патрона без кулачков (B) | 111,7 мм |
| Высота патрона (B1) | 116,8 мм |
| Диаметр отверстия (E) | 103,0 мм |
| Диаметр патрона по крепежным болтам (F) | 235,0 мм |
| Винты | 6 шт |
| Длина (J) | 43,0 мм |
| Длина (L) | 57,0 мм |
| Масса | 51,0 кг |
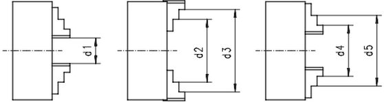
| d1 | 10-131 мм |
| d2 | 103-226 мм |
| d3 | 190-315 мм |
| d4 | 65-182 мм |
| d5 | 145-265 мм |
| Максимальный вылет кулачков | 384,0 мм |
| Максимально допустимая частота вращения патрона | 2800 об/мин |
| Максимальный крутящий момент на ключе | 200 Нм |
| Суммарная статическая сила зажима кулачками патрона | 5500 (4400*)Н |
| Тип | 3545-P |
| Обозначение по каталогу | 353545380800 |
| Код товара (артикул) | 3545-315-11-P |
| Производитель | Bison-Bial |
КОРЗИНА
Товаров в корзине:
На сумму у.е. ( руб.)
Окно будет закрыто через сек.
Вы можете отправить ссылку на эту страницу в популярные социальные сети и месенджеры
|
 |
 |