 |
 |
|
 |
Токарный трехкулачковый самоцентрирующийся патрон повышенной точности, материал сталь, наружный диаметр 630 мм, высота патрона без кулачков 129 мм, высота патрона 140,3 мм, длина 87 мм, вес 274 кг, ГОСТ 3889-80 (DIN 55029), артикул 3544-630-11-P (353544460700), производство Bison-Bial (Польша)
Отличная цена! Оптом скидки! Звоните! Купить
В наличии на складе в Минске
|
Цены на другие товары производителя Польша
|



| Общая информация |
| Описание | Самоцентрирующиеся токарные патроны предназначены для установки на универсальные токарные, револьверные, внутришлифовальные станки и различные приспособления. |
| Страна производства | Польша |
| Технические характеристики |
| Стандарт | ГОСТ 3889-80 (DIN 55029) |
| Материал патрона | сталь |
| Количество кулачков | 3 шт (цельные) |
| Тип посадки | Монтируется непосредственно на фланцевый конец шпинделя система Camlock |
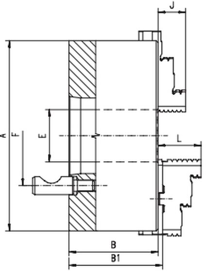
| Диаметр патрона (А) | 630,0 мм |
| Конусность 1:4 | 11 |
| Высота патрона без кулачков (B) | 129,0 мм |
| Высота патрона (B1) | 140,3 мм |
| Диаметр отверстия (E) | 190,0 мм |
| Диаметр патрона по крепежным болтам (F) | 235,0 мм |
| Винты | 6 шт |
| Длина (J) | 70,0 мм |
| Длина (L) | 87,0 мм |
| Масса | 274,0 кг |
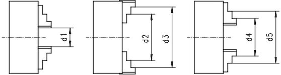
| d1 | 30-335 мм |
| d2 | 180-487 мм |
| d3 | 345-630 мм |
| d4 | 160-465 мм |
| d5 | 325-630 мм |
| Максимальный вылет кулачков | 770,0 мм |
| Максимально допустимая частота вращения патрона | 1000 об/мин |
| Максимальный крутящий момент на ключе | 460 Нм |
| Суммарная статическая сила зажима кулачками патрона | 8000 Н |
| Тип | 3544-P |
| Обозначение по каталогу | 353544460700 |
| Код товара (артикул) | 3544-630-11-P |
| Производитель | Bison-Bial |
КОРЗИНА
Товаров в корзине:
На сумму у.е. ( руб.)
Окно будет закрыто через сек.
Вы можете отправить ссылку на эту страницу в популярные социальные сети и месенджеры
|
 |
 |