 |
 |
|
 |
Токарный трехкулачковый самоцентрирующийся патрон повышенной точности, материал сталь, наружный диаметр 250 мм, высота патрона без кулачков 89 мм, высота патрона 92,8 мм, длина 53 мм, вес 32 кг, ГОСТ 3889-80 (DIN 55029), артикул 3544-250-8-P (353544340200), производство Bison-Bial (Польша)
Отличная цена! Оптом скидки! Звоните! Купить
В наличии на складе в Минске
|
Цены на другие товары производителя Польша
|



| Общая информация |
| Описание | Самоцентрирующиеся токарные патроны предназначены для установки на универсальные токарные, револьверные, внутришлифовальные станки и различные приспособления. |
| Страна производства | Польша |
| Технические характеристики |
| Стандарт | ГОСТ 3889-80 (DIN 55029) |
| Материал патрона | сталь |
| Количество кулачков | 3 шт (цельные) |
| Тип посадки | Монтируется непосредственно на фланцевый конец шпинделя система Camlock |
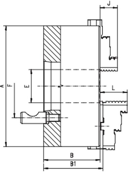
| Диаметр патрона (А) | 250,0 мм |
| Конусность 1:4 | 8 |
| Высота патрона без кулачков (B) | 89,0 мм |
| Высота патрона (B1) | 92,8 мм |
| Диаметр отверстия (E) | 76,0 мм |
| Диаметр патрона по крепежным болтам (F) | 171,4 мм |
| Винты | 6 шт |
| Длина (J) | 34,0 мм |
| Длина (L) | 53,0 мм |
| Масса | 32,0 кг |
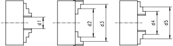
| d1 | 5-118 мм |
| d2 | 77-188 мм |
| d3 | 160-250 мм |
| d4 | 62-174 мм |
| d5 | 145-256 мм |
| Максимальный вылет кулачков | 306,0 мм |
| Максимально допустимая частота вращения патрона | 3500 об/мин |
| Максимальный крутящий момент на ключе | 180 Нм |
| Суммарная статическая сила зажима кулачками патрона | 4600 (3600*)Н |
| Тип | 3544-P |
| Обозначение по каталогу | 353544340200 |
| Код товара (артикул) | 3544-250-8-P |
| Производитель | Bison-Bial |
КОРЗИНА
Товаров в корзине:
На сумму у.е. ( руб.)
Окно будет закрыто через сек.
Вы можете отправить ссылку на эту страницу в популярные социальные сети и месенджеры
|
 |
 |