 |
 |
|
 |
Токарный трехкулачковый самоцентрирующийся патрон повышенной точности, материал сталь, наружный диаметр 400 мм, высота патрона без кулачков 108 мм, высота патрона 116,8 мм, глубина посадочной впадины 171,4 мм, диаметр отверстия 136 мм, диаметр патрона по крепежным болтам - мм, размер крепежных отверстий 6хМ16, длина 67 мм, вес 92 кг, ГОСТ 3889-80 (DIN 55026), артикул 3515-400-8-P (353515400200), производство Bison-Bial (Польша)
Отличная цена! Оптом скидки! Звоните! Купить
В наличии на складе в Минске
|
Цены на другие товары производителя Польша
|



| Общая информация |
| Описание | Самоцентрирующиеся токарные патроны предназначены для установки на универсальные токарные, револьверные, внутришлифовальные станки и различные приспособления. |
| Страна производства | Польша |
| Технические характеристики |
| Стандарт | ГОСТ 3889-80 (DIN 55026) |
| Материал патрона | сталь |
| Количество кулачков | 3 шт (сборные) |
| Тип посадки | Монтируется непосредственно на шпиндель станка по типу "А" |
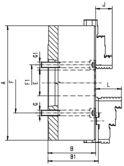
| Диаметр патрона (А) | 400,0 мм |
| Конусность 1:4 | 8 |
| Высота патрона без кулачков (B) | 108,0 мм |
| Высота патрона (B1) | 116,8 мм |
| Диаметр отверстия (E) | 136,0 мм |
| Диаметр патрона по крепежным болтам (F) | 171,4 мм |
| Диаметр патрона по крепежным болтам (F1) | - |
| Размер крепежных отверстий (G) | 6хМ16 |
| Размер крепежных отверстий (G1) | - |
| Длина (J) | 55,0 мм |
| Длина (L) | 67,0 мм |
| Масса | 92,0 кг |
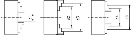
| d1 | 10-180 мм |
| d2 | 127-294 мм |
| d3 | 230-400 мм |
| d4 | 72-228 мм |
| d5 | 165-329 мм |
| Максимальный вылет кулачков | 472,0 мм |
| Максимально допустимая частота вращения патрона | 2000 об/мин |
| Максимальный крутящий момент на ключе | 280 Нм |
| Суммарная статическая сила зажима кулачками патрона | 6500 (4900*) Н |
| Тип | 3515-P |
| Обозначение по каталогу | 353515400200 |
| Код товара (артикул) | 3515-400-8-P |
| Производитель | Bison-Bial |
КОРЗИНА
Товаров в корзине:
На сумму у.е. ( руб.)
Окно будет закрыто через сек.
Вы можете отправить ссылку на эту страницу в популярные социальные сети и месенджеры
|
 |
 |