 |
 |
|
 |
Токарный трехкулачковый самоцентрирующийся патрон повышенной точности, материал сталь, наружный диаметр 315 мм, высота патрона без кулачков 96,2 мм, высота патрона 101,3 мм, глубина посадочной впадины -, диаметр отверстия 80 мм, диаметр патрона по крепежным болтам 111,1 мм, размер крепежных отверстий 6хМ12, длина 57 мм, вес 55 кг, ГОСТ 3889-80 (DIN 55026), артикул 3515-315-8-P (353515370400), производство Bison-Bial (Польша)
Отличная цена! Оптом скидки! Звоните! Купить
В наличии на складе в Минске
|
Цены на другие товары производителя Польша
|



| Общая информация |
| Описание | Самоцентрирующиеся токарные патроны предназначены для установки на универсальные токарные, револьверные, внутришлифовальные станки и различные приспособления. |
| Страна производства | Польша |
| Технические характеристики |
| Стандарт | ГОСТ 3889-80 (DIN 55026) |
| Материал патрона | сталь |
| Количество кулачков | 3 шт (сборные) |
| Тип посадки | Монтируется непосредственно на шпиндель станка по типу "А" |
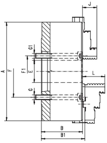
| Диаметр патрона (А) | 315,0 мм |
| Конусность 1:4 | 8 |
| Высота патрона без кулачков (B) | 96,2 мм |
| Высота патрона (B1) | 101,3 мм |
| Диаметр отверстия (E) | 80,0 мм |
| Диаметр патрона по крепежным болтам (F) | - |
| Диаметр патрона по крепежным болтам (F1) | 111,1 мм |
| Размер крепежных отверстий (G) | - |
| Размер крепежных отверстий (G1) | 6хМ16 |
| Длина (J) | 43,0 мм |
| Длина (L) | 57,0 мм |
| Масса | 55,0 кг |
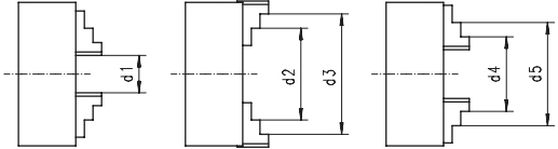
| d1 | 10-131 мм |
| d2 | 103-226 мм |
| d3 | 190-315 мм |
| d4 | 65-182 мм |
| d5 | 145-265 мм |
| Максимальный вылет кулачков | 384,0 мм |
| Максимально допустимая частота вращения патрона | 2800 об/мин |
| Максимальный крутящий момент на ключе | 200 Нм |
| Суммарная статическая сила зажима кулачками патрона | 5500 (4400*) Н |
| Тип | 3515-P |
| Обозначение по каталогу | 353515370400 |
| Код товара (артикул) | 3515-315-8-P |
| Производитель | Bison-Bial |
КОРЗИНА
Товаров в корзине:
На сумму у.е. ( руб.)
Окно будет закрыто через сек.
Вы можете отправить ссылку на эту страницу в популярные социальные сети и месенджеры
|
 |
 |