 |
 |
|
 |
Токарный трехкулачковый самоцентрирующийся патрон повышенной точности, материал сталь, наружный диаметр 630 мм, высота патрона без кулачков 129 мм, высота патрона 140,3 мм, диаметр отверстия 190 мм, диаметр патрона по крепежным болтам - мм, размер крепежных отверстий 6хМ20, длина 87 мм, вес 285 кг, ГОСТ 3889-80 (DIN 55026), артикул 3514-630-11-P (353514530000), производство Bison-Bial (Польша)
Отличная цена! Оптом скидки! Звоните! Купить
Уточняйте наличие на складе в Минске
|
Цены на другие товары производителя Польша
|



| Общая информация |
| Описание | Самоцентрирующиеся токарные патроны предназначены для установки на универсальные токарные, револьверные, внутришлифовальные станки и различные приспособления. |
| Страна производства | Польша |
| Технические характеристики |
| Стандарт | ГОСТ 3889-80 (DIN 55026) |
| Материал патрона | сталь |
| Количество кулачков | 3 шт (цельные каленые) |
| Тип посадки | Монтируется непосредственно на шпиндель станка по типу "А" |
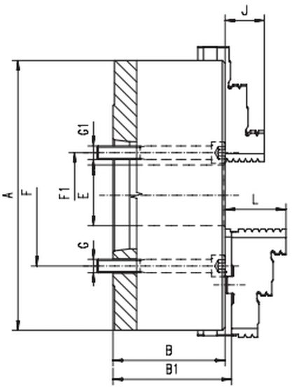
| Диаметр патрона (А) | 630,0 мм |
| Конусность 1:4 | 11 |
| Высота патрона без кулачков (B) | 129,0 мм |
| Высота патрона (B1) | 140,3 мм |
| Диаметр отверстия (E) | 190,0 мм |
| Диаметр патрона по крепежным болтам (F) | 235,0 мм |
| Диаметр патрона по крепежным болтам (F1) | - |
| Размер крепежных отверстий (G) | 6хМ20 |
| Размер крепежных отверстий (G1) | - |
| Длина (J) | 70,0 мм |
| Длина (L) | 87,0 мм |
| Масса | 285,0 кг |
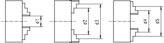
| d1 | 30-335 мм |
| d2 | 180-487 мм |
| d3 | 345-630 мм |
| d4 | 160-465 мм |
| d5 | 325-630 мм |
| Максимальный вылет кулачков | 770,0 мм |
| Максимально допустимая частота вращения патрона | 1000 об/мин |
| Максимальный крутящий момент на ключе | 460 Нм |
| Суммарная статическая сила зажима кулачками патрона | 8000 Н |
| Тип | 3514-P |
| Обозначение по каталогу | 353514530000 |
| Код товара (артикул) | 3514-630-11-P |
| Производитель | Bison-Bial |
КОРЗИНА
Товаров в корзине:
На сумму у.е. ( руб.)
Окно будет закрыто через сек.
Вы можете отправить ссылку на эту страницу в популярные социальные сети и месенджеры
|
 |
 |