 |
 |
|
 |
Токарный трехкулачковый самоцентрирующийся патрон повышенной точности, материал сталь, наружный диаметр 200 мм, высота патрона без кулачков 78 мм, высота патрона 82,8 мм, глубина посадочной впадины -, диаметр отверстия 42 мм, диаметр патрона по крепежным болтам - мм, размер крепежных отверстий 3хМ10, длина 45 мм, вес 19 кг, ГОСТ 3889-80 (DIN 55026), артикул 3514-200-5-P (353514300300), производство Bison-Bial (Польша)
Отличная цена! Оптом скидки! Звоните! Купить
Под заказ



| Общая информация |
| Описание | Самоцентрирующиеся токарные патроны предназначены для установки на универсальные токарные, револьверные, внутришлифовальные станки и различные приспособления. |
| Страна производства | Польша |
| Технические характеристики |
| Стандарт | ГОСТ 3889-80 (DIN 55026) |
| Материал патрона | сталь |
| Количество кулачков | 3 шт (цельные каленые) |
| Тип посадки | Монтируется непосредственно на шпиндель станка по типу "А" |
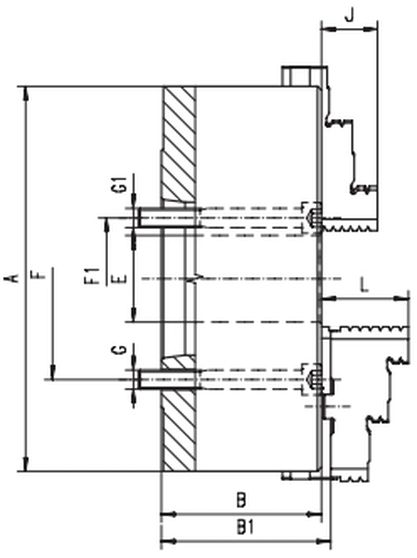
| Диаметр патрона (А) | 200,0 мм |
| Конусность 1:4 | 5 |
| Высота патрона без кулачков (B) | 78,0 мм |
| Высота патрона (B1) | 82,8 мм |
| Диаметр отверстия (E) | 42,0 мм |
| Диаметр патрона по крепежным болтам (F) | - |
| Диаметр патрона по крепежным болтам (F1) | 61,9 мм |
| Размер крепежных отверстий (G) | - |
| Размер крепежных отверстий (G1) | 3хМ10 |
| Длина (J) | 29,0 мм |
| Длина (L) | 45,0 мм |
| Масса | 19,0 кг |
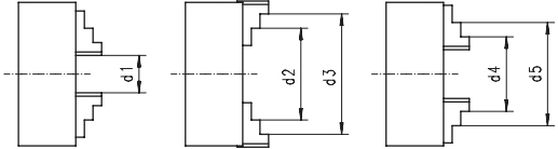
| d1 | 4-90 мм |
| d2 | 60-145 мм |
| d3 | 130-200 мм |
| d4 | 52-135 мм |
| d5 | 120-202 мм |
| Максимальный вылет кулачков | 246,0 мм |
| Максимально допустимая частота вращения патрона | 4000 об/мин |
| Максимальный крутящий момент на ключе | 160 Нм |
| Суммарная статическая сила зажима кулачками патрона | 3700 (2900*) Н |
| Тип | 3514-P |
| Обозначение по каталогу | 353514300300 |
| Код товара (артикул) | 3514-200-5-P |
| Производитель | Bison-Bial |
КОРЗИНА
Товаров в корзине:
На сумму у.е. ( руб.)
Окно будет закрыто через сек.
Вы можете отправить ссылку на эту страницу в популярные социальные сети и месенджеры
|
 |
 |