 |
 |
|
 |
Головка предохранительная быстросменная, модель 3,5x2,7, диаметр 19 мм, тип 1140, производство Россия
Отличная цена! Оптом скидки! Звоните! Купить
Под заказ
|
Цены на другие товары производителя Россия
|
| Общая информация |
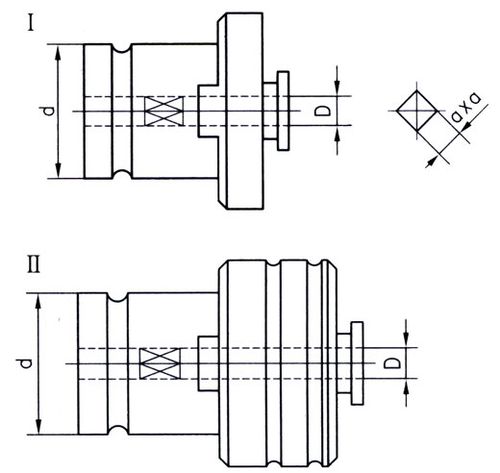
| Описание | Служит для быстрой смены и установки инструмента необходимого размера. Головка имеет два исполнения: исполнение 1 - без предохранения позволяет нарезать резьбу только в сквозных отверстиях; исполнение 2 - с предохранением, позволяет нарезать резьбу в сквозных и глухих отверстиях. Головка с предохранением снабжена механизмом защиты от перегрузки, предохраняющим метчиком от поломки при заклинании и для настройки различных усилий срабатывания механизма проворота для материалов различной твердости. |
| Страна производства | Россия |
| Технические характеристики |
| Модель | 3,5x2,7 |
| Диаметр (d) | 19 мм |
| DIN371 | M3 |
| DIN374 | M5 |
| DIN376 | M5 |
| Комплектность наборов для | J4512 M3-M12: 3,5x2,7; 4x3; 4,5x3,4; 6x4,9; 7x5,5; 8x6,2; 9x7 - 7 штук |
| J4520 M10-M20: 7x5,5; 8x6,2; 9x7; 10x8; 11x9; 12x9; 14x11; 16x12 - 8 штук |
| J4536 M14-M36: 11x9; 12x9; 14x11; 16x12; 18x14,5; 20x16; 22x18; 25x20; 28x22 - 9 штук |
| Производитель | Россия |
КОРЗИНА
Товаров в корзине:
На сумму у.е. ( руб.)
Окно будет закрыто через сек.
Вы можете отправить ссылку на эту страницу в популярные социальные сети и месенджеры
|
 |
 |