 |
 |
|
 |
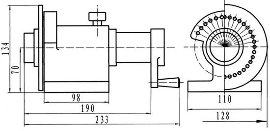
Головка делительная универсальная, высота центра 70 мм, обозначение F1, производство Россия
Отличная цена! Оптом скидки! Звоните! Купить
Под заказ
|
Цены на другие товары производителя Россия
|
| Общая информация |
| Описание | Предназначена для использования с фрезерными, шлифовальными, сверлильными и прочими станками. Она просто в конструкции, легка в работе и надежна при эксплуатации. С ее помощью можно производить не только деление на 2, 3, 4, 6, 9, 12, 18, 36 частей, а также использую делительный диск и лимб на корпусе, производить деление от 1 до 360⁰, с минимальным шагом 1⁰. |
| Страна производства | Россия |
| Технические характеристики |
| Обозначение | F1 |
| Высота центра | 70 мм |
| Деление на части | 2, 3, 4, 6, 9, 12, 18, 36 |
| Минимальная величина деления | 1⁰ |
| Минимальная градуировка | 5⁰ |
| Индивидуальная погрешность | +/- 4 сек |
| Тип применяемых цанг | 5С |
| Масса | 7 кг |
| Производитель | Россия |
КОРЗИНА
Товаров в корзине:
На сумму у.е. ( руб.)
Окно будет закрыто через сек.
Вы можете отправить ссылку на эту страницу в популярные социальные сети и месенджеры
|
 |
 |