 |
 |
|
 |
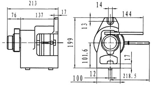
Головка делительная универсальная горизонтальнро-вертикальная, высота центра 101,6 мм, обозначение FNL100B, производство Россия
Отличная цена! Оптом скидки! Звоните! Купить
Под заказ
|
Цены на другие товары производителя Россия
|
| Общая информация |
| Описание | Может быть установлена на фрезерные, шлифовальные, сверлильные и любые другие станки по необходимости. С ее помощью можно производить простое деление на 2, 3, 4, 6, 8, 12 и 24 части. Так же ее можно применять и на разметочных работах. Возможность использования как в горизонтальном так и в вертикальном положении, легкий вес. |
| Страна производства | Россия |
| Технические характеристики |
| Обозначение | FNL100B |
| Высота центра | 101,6 мм |
| Деление на части | 2, 3, 4, 6, 8, 12, 24 |
| Индивидуальная погрешность | +/- 3 сек |
| Тип применяемых цанг | 5С |
| Масса | 12 кг |
| Производитель | Россия |
КОРЗИНА
Товаров в корзине:
На сумму у.е. ( руб.)
Окно будет закрыто через сек.
Вы можете отправить ссылку на эту страницу в популярные социальные сети и месенджеры
|
 |
 |