turens.by
ПН-ЧТ 09.00-17.00, ПТ 09.00-16.00
Наши товары

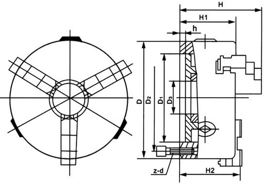
Патрон токарный DK11-315 для закрепления на столах поворотных тип 5054

Металлорежущий инструмент
Сверла с цилиндрическим хвостовиком средняя серия ГОСТ 10902-77
Сверла проточенные с цилиндрическим хвостовиком 13 мм средняя серия ГОСТ 10902-77
Сверла с цилиндрическим хвостовиком длинная серия ГОСТ 886-77
Сверла с цилиндрическим хвостовиком сверхдлинные
Сверла с утолщенным цилиндрическим хвостовиком 1,2 мм ГОСТ 8034-76
Сверла левые с цилиндрическим хвостовиком средняя серия ГОСТ 10902-77
Сверла по металлу ц/х твердосплавные
Сверла по металлу к/х
Сверла по металлу центровочные
Сверла корончатые HSS
Сверла по бетону SDS plus для перфораторов
Плашки М метрические
Плашки М метрические левые LH
Плашки G трубные цилиндрические
Плашки G трубные цилиндрические левые LH
Плашки К NPT конические дюймовые
Плашки UNC дюймовые
Плашки UNF дюймовые
Плашки Tr трапецеидальные
Плашки Tr трапецеидальные левые LH
Плашки СП цилиндрические для вентилей и баллонов газов
Плашки СП цилиндрические для вентилей и баллонов газов левые LH
Плашки W конические для вентилей и баллонов газов
Плашки резьбонакатные плоские
Гребенки резьбонарезные плоские
Метчики по металлу М метрические
Метчики по металлу М метрические гаечные
Метчики по металлу G трубные дюймовые
Метчики по металлу UNC дюймовые
Метчики по металлу UNF дюймовые
Метчики PG для трубной электротехнической резьбы
Воротки для метчиков и плашек
Фрезы концевые
Фрезы концевые твердосплавные
Фрезы шпоночные ц/х и к/х
Фрезы дисковые отрезные
Фрезы дисковые трехсторонние
Фрезы торцевые насадные
Фрезы червячные модульные
Фрезы пазовые
Фрезы со сменными пластинами
Фрезы сегментные Т-образные
Резьбофрезы
Борфрезы твердосплавные
Резцы токарные
Резцы расточные для глухих отверстий
Резцы расточные для сквозных отверстий
Резцы долбежные
Резцы канавочные и клиновые
Резцы автоматные заготовки для автоматных резцов
Резцы строгальные
Резцы фасочные
Резцы расточные державочные
Резцы державки токарные проходные
Резцы державки токарные расточные
Резцы державки токарные отрезные канавочные
Резцы державки резьбовые для наружной резьбы
Резцы державки резьбовые для внутренней резьбы
Державки и ролики для накатки рифлений
Патроны токарные
Патроны сверлильные
Кулачки к токарным патронам
Патроны цанговые
Цанги к патронам
Патроны резьбонарезные
Патроны фрезерные
Патроны для быстросменного инструмента
Втулки переходные
Оправки для сверлильных патронов
Оправки для фрез
Центры вращающиеся
Центры упорные
Пластины токарные
Пластины отрезные канавочные
Пластины фрезерные
Ножи и клинья к фрезам
Пластины резьбовые
Пластины напайные
Развертки
Развертки ручные регулируемые
Развертки ручные разжимные с шариком ГОСТ 3509-71
Универсальные делительные головки
Головки расточные
Головки предохранительные
Тиски станочные
Тиски слесарные
Тиски лекальные
Параллельные подкладки параллельки
Столы поворотные
Люнеты для токарных станков
Штангенциркули
Ключи гаечные
Плоскогубцы
Протяжки
Зенковки по металлу
Зенкеры
Напильники
Надфили слесарные и алмазные
Полотна ножовочные
Круги алмазные
Клейма ручные буквенные и цифровые
Пневмоинструмент
Прочая оснастка
Плиты магнитные и электромагнитные
Цековки по металлу
Прошивные ротационные головки
Прошивки ротационные

Прайс-лист и остатки
Патрон токарный к фланцу 400 для закрепления на столах поворотных, диаметр 315 мм, обозначение DK11-315 / PS3-315, производство Россия
Отличная цена! Оптом скидки! Звоните!Купить
Под заказ
Доставка по Минску и всей Беларуси службой доставки или самовывоз
Цены на другие товары производителя Россия
Патрон токарный DK11-315 для закрепления на столах поворотных тип 5054
Патрон токарный DK11-315 для закрепления на столах поворотных тип 5054

Описание

Общая информация
ОписаниеУкомплектован прямыми и обратными каленными кулачками, ключом и болтами для крепления.
Страна производстваРоссия
Технические характеристики
ОбозначениеDK11-315 / PS3-315
D315 мм
D1260 мм
D2286 мм
D3100 мм
H156,5 мм
H190 мм
h6 мм
z-d6-M16
Максимальный диаметр зажима прям/обр.140/315 мм
Максимально допустимые обороты1200 об/мин
Вес47,5 кг
ПроизводительРоссия

Отзывы

Вы можете отправить ссылку на эту страницу в популярные социальные сети и месенджеры

Металлорежущий инструмент | Контактная информация
Яндекс.Метрика